星空体彩官方平台APP_星空彩票xk_原位红外电化学ATR系统_星空彩票苹果手机下载最新版系统_原位拉曼反应池_原位XRD反应池_星空体彩app官方下载

星空彩票开奖号结果

了解更多原位动态与行业资讯

行业资讯

星空彩票xk的作用_原位科技.

发布日期:2023-06-15 阅读量:985

星空彩票xk的作用!

       星空彩票xk是一种高效、可控的反应设备,其主要作用是进行化学反应,产生所需要的产物。星空彩票xk的作用有:

  一、提高反应效率:星空彩票xk采用固态床层反应,反应物料经过固定填料,可以充分接触、混合,使得反应效率提高。
  二、降低反应压力:由于星空彩票xk可以降低反应物料的蒸汽压,延缓发生反应的速度,从而可以在更低的压力下进行反应。
  三、提高产量:星空彩票xk可以对反应床进行多点进料,可以控制床层温度和压力,从而提高产量。
  四、降低工艺成本:星空彩票xk成本低廉、操作简单、易于维护,可以降低反应过程中的工艺成本。
  合肥原位科技专业研发星空彩票xk:
  一、微型星空彩票xk:

  合肥原位(桌面)微型星空彩票xk适用于实验室工作台面,具有体积小、结构紧凑、模块化设计便于组装改进等特点。可根据反应体系定制反应通道、气液路数量、分离装置类型&尺寸以及取样分析方式,完美契合客户实际需求.

      

  模块化:桌面小型模块化,根据实验体系自由组装、扩展及改进;
  精确性:压力±0.25%F.S,流量± 1%F.S,恒温区温差±1°C,各通道间温差±1°C,控温精度±0.1°C;
  适用性:可实现多气相、气-液两相和气-液-固三相反应,并能与GC/MS/IR等联用实现在线检测;
  便捷性:温度采用PID控制,确保反应温度稳定,可恒定输出以考察反应热量变化。数据采集及控制集成在触摸屏,操作界面简洁友好,使用方便快捷。可实现产物自动取样分析,实现全天候连续运转,无须人工干预;

  安全性:电气安全连锁,采用软硬件结合的安全设计,超压、超温 报警,过时未处理自动停止工作;误操作保护;停电、停气处理等。

      

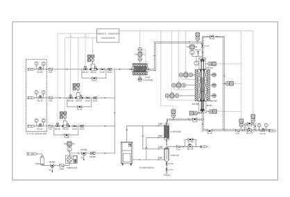
  二、加氢反应固定床评价装置:

  本装置配置三路气体进料和一路液体进料,包括但不限于C02加氢制备甲醇、丙酮缩合-加氢制备甲基异丁基酮等反应.可实现远程控制、尾气物流分流和全组分进样分析.

       

  产品特点
  本装置除具备常规固定床的结构和功能外,还包含以下特点:
  远程控制:气路质温流员计前均设置自保持电磁阀。电磁阀、电加蒸炉、温控和压力传感器与控制系统连接,能够在温度、压强出现异常时,远程实时停止加热和关闭气路阀门,确保实验安全性;

  尾气物潦分流:尾气物流分为两支,分别采用“背压阀"和“背压阀-减压阀”对尾气物潦进行比例分流,调控进入后端检测器流量,同时实现全组分析和产物分离。


  三、多通道星空彩票xk :

  合肥原位多通道星空彩票xk,旨在最大程度提高实验人员工作效率而设计的高温高压多位反应装置,可实现对催化材料、反应评价和工艺优化的快速、高效、平行筛选。各通道反应器可选择一体式、独立式及快速切换式工作模式。

  产品优势
  针对性强:工艺流程、工艺参数追认和标准件选型完全根据客户需求定制;
  准确计算设计:根据客户资料,准确进行物料、热增衡算,对包括反应器、分离装置、换热装置在内的非标件的尺寸、参数进行计算设计;
  精确性:压力±0.25%F.S,流量±1%F.S,恒温区温差±1℃,各通道间混差±1℃,控温精度±0.1℃
  自动化程度高:压力、温度、流量等数据采集及控制集成在触摸屏,操作界面简洁友好,使用方便快捷。可实现产物自动取样分析,全天候连续运转。能够实现不同通道间前处理、吹扫、反应等评价阶段的任意切换,最大程度提高实验人员工作效率;

  平行性:独立设置各通道反应参数、实时监控状态和产物分析:独立流量计进样、温度控制,单独配置产物分离、取样分析模块,控制通道间参数误差。

       

上一篇新闻

下一篇新闻

搜索

Baidu
map